Расширение скорости планетарного кредитования является принципом передачи планетарной передачи применения, используя линию стрелка Колево, конструкция конструкции новый Механизм между нами. Эта машина восстановления в большинстве случаев низ уже за поколение Двухуровневый уровень 3 обычный Цилиндрический редуктор и цилиндрический червячный редуктор, с точки зрения металлургии, добычи, нефти, химического, судна, легкой промышленности, продуктов питания, текстиля, печати, фармацевтической, резины, пластика и подъема и т. Д.
один,  Характеристики велосипедного редуктора
1.  Коэффициент передачи. Коэффициент передачи составляет 1/6-1 / 87 при первом уменьшении. Соотношение передачи двухэтапного замедления составляет 1/99-1 / 7569; отношение передачи трехэтапной трансмиссии составляет 1 / 5841-1 / 658503. Кроме того, многоэтапная комбинация может использоваться по мере необходимости, и соотношение скорости достигается.
2.  эффективность передачи высокая Отказ Поскольку сайт взаимодействия использует вовлечение проката, общая первичная эффективность передачи составляет 90% - 95%.
3.  Компактная структура, небольшой размер, легкий вес. Объем и обычный Цилиндрический редуктор может быть уменьшен на 2/1 - 2/3.
4.  меньше неисправности, длительный срок службы. Основной элемент взаимодействия привода использует производство шлифования подшипников, поэтому механические свойства и износостойкость являются лучшей, и есть трение прокатки, и меньше неисправности и длительной жизни.
5.  работает гладко и надежно. Поскольку передача сжимается во время передачи, она делает его гладким и надежным, а шум низкий.
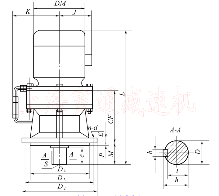
6.  Удобная разборка, легко восстановить.
7.  Сильная нагрузка на перегрузку, ударопрочность, небольшой инерционный крутящий момент, подходит для запуска частота Особенность процветания и форвардного вращения.
два   Технические характеристики редуктора скорости ремесла
1 модель модель:
Разделен в соответствии с коэффициентом передачи: первый уровень, вторичный и три.
Первый уровень имеет Тринадцать моделей: 0, 1, 2, 3, 4, 5, 6, 7, 8, 9, 10, 11, 12.
Два уровня имеет 14 Типов: 00, 20; 32, 42, 53, 63, 64, 74, 84, 85, 95, 106, 117, 128.
Уровень три имеет 8 видов: 420, 742, 842, 853, 953, 1063, 1174, 1285.
Согласно структурному типу: горизонтальные, вертикальные, двусмысленные, прямые четыре.
2, коэффициент передач:
Уровень 1 замедление имеет 9, 11, 17, 21, 23, 25, 29, 35, 43, 47, 59, 71, 87.
Соотношение двухступенчатого замедления передачи имеет : 99, 121, 187, 289, 319, 385, 473, 493, 595, 649, 731, 841, 1003, 1225, 1505, 1849, 2065, 2537, 3045, 3481, 5133.
Трехступенчатое коэффициент передачи замедления имеет : 5841-658530